Liste des limites de température des applications
Matériel Température moyenne℃ Matériel Température moyenne℃
PVC-C -20 ℃ ~ 95 ℃ PVC-U -5 ℃ ~ 45 ℃
FRPP -20 ℃ ~ 120 ℃ HPP -20 ℃ ~ 110 ℃
PVDF 40 ℃ ~ 150 ℃

Caractéristiques structurelles du produit

1. Résistance chimique supérieure : grande plage de températures de fonctionnement de -20 °C à 95 °C, la teneur en ions lourds dans le milieu répond aux normes d'eau ultra pure et les propriétés hygiéniques conformes aux normes sanitaires nationales.
2. Excellentes résistance, ténacité et résistance à la corrosion chimique.
3. Durabilité : une excellente résistance au vieillissement et aux UV prolonge considérablement la durée de vie des autres systèmes de tuyauterie.
4. Faible conductivité thermique : environ 1/200 de celle de l'acier ; retardateur de flamme auto-extinguible.
5. Léger : léger, équivalent à 1/5 de tuyau en acier et 1/6 de tuyau en cuivre.
6. Faible résistance, débit élevé : surface du tuyau lisse et propre, minimiser la friction et l'adhérence lors du transport de fluides.
7. Installation facile, faible coût : Des connexions adhésives et filetées sont disponibles, la colle étant la plus pratique.

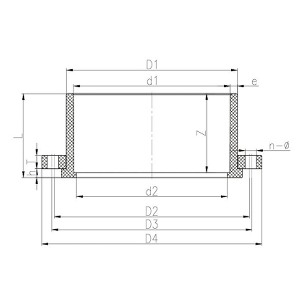
Liste des dimensions

DN D1 D2 D3 D4 d1 d2 L T h Z n- Φ
15 27 59 70 95 20 18 22 16 1.5 16 4-Φ15X20,5
20 32 70 75 105 25 23 25 18 1.5 19 4-Φ15X17,5
25 40 79 90 125 32 29 28 18 1.5 22 4-Φ15X20,5
32 50 89 100 140 40 36 31.5 20 1.5 26 4-Φ18X24,5
4 61 98 110 150 50 4 37 20 2 31 4-Φ18X24
50 75 120 125 165 63 58 44 25 2 38 4-Φ18X20,5
65 88 140 145 185 75 69 50 25 2 44 4-Φ18X20,5
80 105 150 160 200 90 84 57 26 2.5 51 8-Φ18X23
100 127 175 190 522 9110 105 67 26 2.5 61 8- Φ 18X26
125 161 210 250 140 130 84 28 12.5 77 8-Φ19
150 182 240 285 160 150 93 31 12.5 85 8-Φ23
200 249 295 339 225 215 127 36 16 119 8-Φ23X25
200 254 295.8 341 225 215 127 33.1 16 119 12-Φ22
250 308 350 395 280 267 154 40.5 16.5 144 12-Φ23
300 346 400 445 315 305 170 43 18 160 12-Φ23
350 395 460 505 355 340 176 43 16 164.5 16-Φ23
400 442 515 570 400 382 219 43 22 200 16-Φ27
450 494 565 625 450 430 220 40 27 210 20-Φ26
500 548 620 670 500 475 210 43 25 185 20-Φ27
Commentaires sur les messages
À propos de nous
Kaixin Pipeline Technologies Co., Ltd.
Fondée en 1999, Kaixin Pipeline Technologies Co., Ltd. est une entreprise de haute technologie intégrant la R&D, la fabrication, les ventes et le service. La société détient plusieurs certifications prestigieuses, notamment Entreprise nationale de haute technologie, PME spécialisée et sophistiquée « Petit géant », Championne nationale d'un produit unique (culture), PME technologique provinciale, PME spécialisée et sophistiquée de Ningbo, Championne d'un produit unique de Ningbo (culture), Centre de R&D sur la technologie des tuyaux et vannes en polymères de Ningbo, Usine verte au niveau du district, Entreprise d'innovation en gestion quatre étoiles de Ningbo et Niveau de maturité 2 des capacités de gestion des données d'entreprise.
Nous sommes spécialisés dans le développement, la produition et la fourniture de produits non métalliques résistant à la corrosion pour les applications chimiques, notamment des vannes, des tuyaux, des raccords de tuyauterie et des pompes résistantes à la corrosion en plastique. Notre gamme de produits couvre des matériaux tels que le PVC-C, le PVC-U, le PVDF, le PPH et le FRPP, avec une gamme complète de types et de spécifications. Notamment, nos vannes papillon peuvent atteindre DN1000 de diamètre, tandis que les tuyaux et raccords s'étendent jusqu'à DN800, comblant ainsi les lacunes du marché et maintenant notre avantage concurrentiel dans l'industrie.
Guidé par le principe « Axé sur la technologie et en phase avec son temps », Kaixin alloue près de 10 millions de RMB par an à la R&D. Nous garantissons une qualité de produit supérieure grâce à une fabrication automatisée standardisée et à un approvisionnement strict en matières premières importées. Conformément à notre stratégie de développement international, nous surveillons en permanence les tendances du marché mondial et exploitons les canaux numériques pour proposer des produits « Made in China » de haute qualité à nos clients du monde entier.
Ningbo • Base de R&D et de production de Fenghua
Avec un investissement total de 200 millions de RMB, Kaixin Ultra-Pure Pipe Technology (Ningbo) Co., Ltd. a créé un nouveau laboratoire de matériaux en collaboration avec des universités et des instituts de recherche, construit une base de fabrication moderne et installé 8 lignes de production entièrement automatisées pour les plastiques modifiés et 8 pour les matériaux polymères. L'installation est dédiée à la R&D, à la production et à l'application de nouveaux plastiques et matériaux polymères modifiés. Kaixin s'engage également à attirer les meilleurs talents dans toutes les disciplines, en favorisant continuellement l'innovation de produits et le développement de la marque, dans le but de devenir un leader mondialement reconnu dans la R&D et la fabrication de vannes, tuyaux et raccords en polymère.
Certificat d'honneur
  • honor
  • honor
  • honor
  • honor
  • honor
  • honor
  • honor
  • honor
  • honor
Actualités